Мотор-редукторы серии RT / MRT

Габаритные и присоединительные размеры мотор-редукторов MRT:
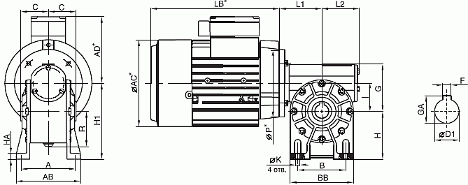
Габаритные и присоединительные размеры. Исполнение фланцевое.
Габаритные и присоединительные размеры. Исполнение навесное.
Односторонний выходной вал:
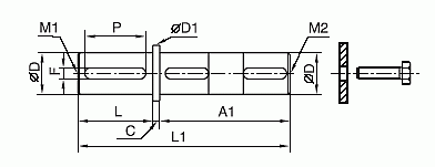
Двусторонний выходной вал:
Варианты исполнения:
Технические характеристики червячных редукторов серии RT / MRT:
Приводная техника (мотор-редукторы, преобразователи частоты и устройства плавного пуска) отправляется покупателю транспортной компанией. По всем вопросам обращаться в офис.
Мы всегда рады видеть у себя наших старых партнеров и ждем новых.
Доставка во все регионы России!
|