Главная Каталог продукции Прайс-лист Полезная информация контакты
Редукторы цилиндрические
Редукторы червячные
Мотор-редукторы
Преобразователи частоты
Устройства плавного пуска
Аксессуары для ПЧ
Энкодеры
Карта сайта

 

Приводная техника

 

Вся продукция сертифицирована. Мы будем рады видеть Вас клиентом нашей компании.

 

 

Червячные редукторы и мотор-редукторы ”Варвел” Varvel

Одноступенчатый червячный мотор-редуктор Varvel SRT, MRT


Червячный редуктор Varvel RT

Червячные редукторы Varvel RT, SRT, MRT отличаются модернизированным универсальным корпусом  позволяющим осуществить монтаж редуктора в любом положении. Редуктор изготавливается с использованием технологии литья под давлением. Благодаря простой и надежной конструкции обладает высокими эксплуатационными характеристиками и бесшумной работой. Так-же удалось существенно снизить вес корпуса и создать монолитную равнопрочную конструкцию.
Червячные редукторы Varvel RT, SRT, MRT изготавливаются в семи типоразмерах. Редукторы могут комплектоваться стандартными электродвигателями с высотой оси от 56 до 132 мм, максимальный момент на выходном валу для редукторов составляет 691 Нм.

Технические характеристики
Габарит редуктора

28

40

50

60

70

85

110

Мощность электродвигателя кВт

0.18

0.37

0.75

1.5

3.0

4.0

7.5

Габарит электродвигателя IEC

63

71

80

90

100

100

112

Крутящий момент Nm

20

48

85

139

238

325

691

Передаточное отношение i

7 … 100

 
Типоразмер:
редукторов
мотор-редукторов

SRT 28, SRT 40, SRT 50, SRT 60, SRT 70, SRT 85, SRT 110
MRT 28, MRT 40, MRT 50, MRT 60, MRT 70, MRT 85, MRT 110
Передаточные числа от 2,5:1 до 630:1
Макс. выходной вращающий момент 2300 Нм

Ресурс

В соответствии с ISO6336/DIN 3990 (В среднем ресурс работы 15000 часов с сервис фактором FS=1)

Материал корпуса

Литье под давлением, алюминий AISi12Cu2Fe (АК 12)
Материал крышки Литье под давлением, алюминий AISi12Cu2Fe (АК 12)

Валы и шпоночные пазы

Сталь 39NiCrMo3
Точность изготовления валов - h6 – Отверстий Е8
Шпоночные пазы в соответствии с DIN6885 B1

Сальники

Тип NB – нитрил-бутадиен (С дополнительным пыльником в соответствии с DIN 3760)

Тип масла

Индустриальное синтетическое масло на весь срок службы
SHELL TIVELA S220. Заливается при сборке редуктора.
Вязкость в соответствии с ISO.

 

Тщательно проработанная конструкция редуктора, а также точная обработка всех посадочных поверхностей, позволила существенно увеличить устойчивость к повышенным нагрузкам воздействующих на редуктор. В результате ресурс редуктора, рассчитываемый в соответствии с ISO 6336 / DIN 3990, составляет 15.000 часов, при этом нагрузочная способность  превышает значения для аналогичных редукторов других производителей.

 

Система обозначений
 

SRT -... / 40 B3 28 IEC71 B14 (OPS, OPP)
1 2   3 4 5 6 7 8
1 Тип редуктора:
RT – редуктор с выступающим цилиндрическим входным валом
FRT – редуктор с полым входным валом с фланцем
SRT – редуктор с полым входным валом без входного фланца
2 Дополнительная ступень
3 Габарит редуктора
4 Вариант установки
5 Передаточное отношение
6 Типоразмер электродвигателя
7 Типоразмер для присоединения электродвигателя
8 Опции

 

Pазмеры одноступенчатых мотор-редукторов Varvel SRT, MRT

Pазмеры одноступенчатых мотор-редукторов Varvel SRT, MRT

 

Размер

Тип мотор-редуктора

SRT 28

SRT 40

SRT 50

SRT 60

SRT 70

SRT 85

SRT 110

A

80

100

120

144

172

206

255

A 1

54

70

80

100

120

140

170

AA

97

121,5

144

174

205

238

295

AA 1

71

91,5

104

130

153

172

210

B

53

71

85

100

112

130

144

H

40

50

60

72

86

103

127,5

H 1

57

71,5

84

102

119

135

167,5

K

57,5

70,5

83/88

93/94

117/118

134/137

151/153

I

28

40

50

60

70

85

110

S

27,5

38,5

46,5

57

57

67*

74

S 2

2,5

2,5

3

3

3

3*

3,5

Z 2

13

13

13-18,5

14-15

15,5-17,5

15,5-18,5

18-20

Присоединительные размеры (лапы)

B 1

44

60

70

85

90

100

115

F 1

7

7

9

9

11

13

15

s 1

6

7

8

10

11

14

13

H 2

13

15

20

22

26

33

42,5

Выходной вал

T

21

26

30

36

40

45

50

C

30

41

49

60

60

61*

77,5

Ø D H7

14

19

24

25

28

32

42

M 1

16,3

21,8

27,3

28,3

31,3

33,3

45,3

N 1

5

6

8

8

8

10

12

 

Varvel MRT

 

Размер

Тип мотор-редуктора

SRT 28

SRT 40

SRT 50

SRT 60

SRT 70

SRT 85

SRT 110

Выходной фланец

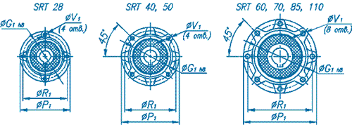
Ø R 1

65

75

85

95

115

130

165

Ø V 1

М6х10

(4 отв.)

М6х8,5

(4 отв.)

М8х10

(4 отв.)

М8х16

(8 отв.)

М8х16

(8 отв.)

М10х18

(8 отв.)

М10х21

(8 отв.)

Ø G 1 h 8

55

60

70

80

95

110

130

Ø P 1

75

86

100

110

130

160

200

 
 
 

Выходной фланец мотор-редукторов Varvel SRT, MRT

Выходной фланец предназначен для монтажа мотор-редуктора на станину механизма.
F - стандартный фланец
FL/ FV - удлиненный фланец

Варианты установки фланца на редуктор

 

варианты установки фланца на редуктор

 
типоразмеры выходных фланцев

Тип фланца

Габарит редуктора

SRT 28

SRT 40

SRT 50

SRT 60

SRT 70

SRT 85

SRT 110

F

 F

  F

  F

  F

  F

  F

  F

FL

 

 FL

  FL

  FL

 

 

 

FV

 

 

  FV

 

 

 

 

 
Габаритные размеры выходных фланцев мотор-редукторов Varvel SRT

 

редукторов Varvel SRT

 

Тип
фланца

Тип

SRT 28

SRT 40

SRT 50

SRT 60

SRT 70

SRT 85

SRT 110

Тип F

C

30

41

49

60

60

61

77,5

P

53

69

93

86

111

111

131

Z

7

6

10

10

14

16

18

U

10

4

5

6,5

12

6

5

Ø V

7 (4 отв.)

9 (4 отв.)

10,5 (4 отв.)

11 (4 отв.)

13 (4 отв.)

13 (4 отв.)

14 (8 отв.)

Ø GH8

50

60

70

115

130

152

170

P2

23

28

44

25

51

50

53,5

Ø R1

68

87

90

150,5

165

175

230

Ø F

80

110

125

180

200

210

270

ð QD

––

95

110

142

160

185

200

Тип FL/ FV

C

 

41

49

60

 

P

99

123/90,5

116

Z

8

10/13

10

U

4

5/11

6,5

Ø V

9 (4 отв.)

9 (4 отв.)

11 (4 отв.)

Ø GH8

60

70/110

115

P2

58

74/41,5

56

Ø R1

87

90/130

150,5

Ø F

110

125/160

180

Ø QD

95

110/125

142

 
 

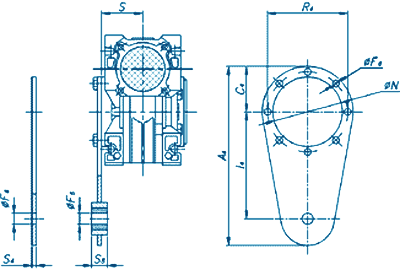
Реактивная штанга BT для редукторов и мотор-редукторов Varvel RT, SRT, MRT

 

Реактивная штанга предназначена для компенсации реактивного момента, действующего на корпус редуктора со стороны приводного механизма. Она оцинкована и изготовляется из специального твердого сплава.

Реактивная штанга BT для редукторов и мотор-редукторов Varvel RT, SRT, MRT


Габаритные размеры

Габарит

Размер

A4

C4

F4

F5

F6

N

I4

R4

S

S4

S5

28

138

38

10,5

10

7

55

80

65

27,5

4

15

40

168

43

10,5

10

7

60

100

75

38,5

4

15

50

185

60

10,5

10

9

70

100

85

46,5

4

15

60

235

55

10,5

10

9

80

150

95

57

6

20

70

295

65

10,5

10

9

95

200

115

57

6

20

85

313

75

20,5

20

12

110

200

130

67

6

25

110

388

100

20,5

20

13

130

250

165

74

6

25

По заказу реактивная штанга может быть оснащена вулканизированной демпфирующей втулкой для гашения вибраций.

 
 

Выходной вал для редукторов и мотор-редукторов Varvel RT, SRT, MRT

 
ASV - односторонний выходной вал
ADV - двухсторонним выходной вал
 
Выходной вал для редукторов и мотор-редукторов Varvel RT, SRT, MRT
 

Габарит

Размер

A2

B2

C2

D(g6)

E

G1

L6

M5

N5

V5

28

58

10

30

14

14

60

31

16

5

М5х10*

40

80

10

40

19

22

82

50

21,5

6

М8х20

50

95

10

45

24

28

98

55

27

8

М8х20

60

117

10

50

25

30

120

60

28

8

М8х20

70

117

10

60

28

34

120

70

31

8

М8х20

85

119

10

70

32

38

122

80

41

10

М10х25

110

153

10

100

42

50

155

100

45

10

М10х25

* – указан диаметр резьбы и ее длина.
** – для SRT 28 вместо буртика выполнена канавка под стопорное кольцо.
 

ASV - односторонний выходной вал фиксируется в выходном валу редуктора с помощью шпонки и болта
ADV - двухсторонним выходной вал фиксируется в выходном валу редуктора с помощью шпонки и стопорного кольца
 

Габаритные размеров электродвигателей для редукторов и мотор-редукторов Varvel

 
Габаритные размеров электродвигателей для редукторов и мотор-редукторов Varvel
 

Габарит электро-двигателя

IEC 56

IEC 63

IEC 71

IEC 80

IEC 90 S/L

IEC 100-112

IEC 132

G*

168*

185*

215*

238*

255/280*

309*

368*

X

110

123

140

159

176

195

258

Z1

108

110

121

138

149

160

192

Фланец В5

F2

7

9

9

11

11

14

14

G2 (H8)

80

95

110

130

130

180

230

R2

100

115

130

165

165

215

265

Y2

120

140

160

200

200

250

300

Фланец В14

F3

6

6

7

7

9

9

11

G3 (H8)

50

60

70

80

95

110

130

R3

65

75

85

100

115

130

165

Y3

80

90

105

120

140

160

200

Входной вал

D3 (F7)

9

11

14

19

24

28

38

M3

10,4

12,8

16,3

21,8

27,3

31,3

41,3

N3

3

4

5

6

8

8

8

 
 
 

Установочное положение одноступенчатых мотор-редукторов Varvel SRT, MRT

 

Установочное положение одноступенчатых мотор-редукторов Varvel SRT, MRT

 

Положение клеммной коробки электродвигателя

 

Положение клеммной коробки электродвигателя

 

 

 

Приводная техника (мотор-редукторы, преобразователи частоты и устройства плавного пуска) отправляется покупателю транспортной компанией. По всем вопросам обращаться в офис.


Мы всегда рады видеть у себя наших старых партнеров и ждем новых.

Доставка во все регионы России!