Главная Каталог продукции Прайс-лист Полезная информация контакты
Редукторы цилиндрические
Редукторы червячные
Мотор-редукторы
Преобразователи частоты
Устройства плавного пуска
Аксессуары для ПЧ
Энкодеры
Карта сайта

 

Приводная техника

 

Вся продукция сертифицирована. Мы будем рады видеть Вас клиентом нашей компании.

 

 

Цилиндрические соосные мотор-редукторы Varvel RD

Цилиндрический соосный мотор-редуктор Varvel RD


Цилиндрический соосный редуктор Varvel RD

Цилиндрические редукторы Varvel RD отличаются тем, что в монолитном едином корпусе реализуется как двухступенчатый, так и трехступенчатый редуктор. Конструкция корпуса разработана в соответствии с современными методами проектирования. Трехмерная компьютерная модель с учетом реальных характеристик применяемых материалов была всесторонне исследована с помощью метода конечных элементов. При этом удалось существенно снизить вес корпуса и создать монолитную равнопрочную конструкцию.

Редукторы Varvel RD производятся в семи типоразмерах. Корпус изготовлен методом литья под давлением из алюминия и имеет интегрированные лапы, а также универсальный съемный выходной фланец, что позволяет осуществить монтаж редуктора в любом положении. Двухступенчатые или трехступенчатые редукторы реализуют 28 различных передаточных отношений от 2,5:1 до 630:1. Редукторы могут комплектоваться стандартными электродвигателями с высотой оси от 56 до 132 мм, максимальный момент на выходном валу для редукторов серии RD составляет 635 Нм. Габаритные и присоединительные размеры соответствуют стандартным размерам цилиндрических редукторов SEW Eurodrive.

 

 

Технические характеристики
Габаритные и присоединительные размеры
Варианты установки
Габарит редуктора

0

1

2

3

4

5

6

Мощность электродвигателя кВт

0.55

1.1

3.0

4.0

9.2

22

22

Габарит электродвигателя IEC

80

90

112

112

132

180

180

Крутящий момент Nm

50

100

200

420

700

1300

2300

Передаточное отношение i (две ступени)

2.3 … 63

Передаточное отношение i (три ступени)

40 … 630

 
Типоразмер:
двухступенчатых редукторов
трехступенчатых редукторов

RD 02, RD 12, RD 22, RD 32, RD 42, RD 52, RD 62
RD 03, RD 13, RD 23, RD 33, RD 43, RD 53, RD 63
Передаточные числа от 2,5:1 до 630:1
Макс. выходной вращающий момент 2300 Нм

Ресурс

В соответствии с ISO6336/DIN 3990 (В среднем ресурс работы 15000 часов с сервис фактором FS=1)

Материал корпуса

Литье под давлением, алюминий AISi12Cu2Fe (АК 12)
Материал крышки Литье под давлением, алюминий AISi12Cu2Fe (АК 12)

Зубчатые колеса

Сталь 20MnCr5, цементация. Степень точности 6. (Профиль зубьев шлифован)

Валы и шпоночные пазы

Сталь 39NiCrMo3
Точность изготовления валов - h6 – Отверстий Е8
Шпоночные пазы в соответствии с DIN6885 B1

Сальники

Тип NB – нитрил-бутадиен (С дополнительным пыльником в соответствии с DIN 3760)

Тип масла

Индустриальное синтетическое масло на весь срок службы
SHELL TIVELA S220. Заливается при сборке редуктора.
Вязкость в соответствии с ISO.

Окраска

Эпоксидная порошковая краска, стандартный цвет RAL 7012 (серый)

 
Тщательно проработанная конструкция редуктора, а также точная обработка всех посадочных поверхностей, позволила существенно увеличить устойчивость к повышенным нагрузкам воздействующих на редуктор. В результате ресурс редуктора, рассчитываемый в соответствии с ISO 6336 / DIN 3990, составляет 15.000 часов, при этом нагрузочная способность  превышает значения для аналогичных редукторов других производителей.

Редукторы соответствуют Российским стандартам ГОСТ Р 50968, ГОСТ 12.2.003, изготавливается согласно ТУ 4161-002-53785685-04 и имеют сертификата качества ISO 9001.
 
Система обозначений
 
RD 32 / B5 H 31.5 IEC71 - B14 AU30 DFU200
1 2   3 4 5 6   7 8 9
   
1 Тип редуктора:
RD – редуктор с выступающим цилиндрическим входным валом
FRD – редуктор с полым входным валом с фланцем
SRD – редуктор с полым входным валом без входного фланца
2 Типоразмер (3 – габарит; 2 – число ступеней)
3 Вариант исполнения (B3 – лапный,B5 – фланцевый)
4 Вариант установки (H – горизонтальный,V – вертикальный)
5 Номинальное передаточное отношение
6 Типоразмер для присоединения электродвигателя (для RD не указывается)
7 Исполнение входного фланца редуктора (B5,B14)
8 Диаметр выходного вала
9 Диаметр выходного фланца
   

 

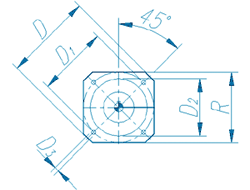
Габаритные и присоединительные размеры

 

редуктор Varvel RD
Varvel RD

Габарит

Размеры

L

L1

L2

d

H

M(6отв)

d1

U

C

C1

C2

A

E

e

V

I

A1

F

H1

H2

H3

d2

RD02

140

25

13

52g6

55.5

M5x16

60

60°

13

9

20

95

115

4.5

100

23

80

96

111

6.5

60

9

RD03

143

28

13

52g6

55.5

M5x16

60

60°

13

9

20

95

115

4.5

100

23

80

96

111

6.5

60

9

RD12

151

23

13

60g6

70

M6x12

70

55°

10

9

18

110

132

5

140

38

110

135

131

8

75

9

RD13

161

33

13

60g6

70

M6x12

70

55°

10

9

18

110

132

5

140

38

110

135

131

8

75

9

RD22

190

35

15.5

70g6

84

M8x10

85

60°

13

11

25

130

153

6

155

37

110

140

158

10

90

9

RD23

208

53

15.5

70g6

84

M8x10

85

60°

13

11

25

130

153

6

155

37

110

140

158

10

90

9

RD32

220

25

15.5

70g6

106.5

M8x15

85

60°

13

11

30

165

195

8.5

190

44

135

173

198

14

115

11.5

RD33

253

58

15.5

70g6

106.5

M8x15

85

60°

13

11

30

165

195

8.5

190

44

135

173

198

14

115

11.5

RD42

265

40

15.5

80g6

120.5

M8x16

100

60°

15

13

30

195

221

9.5

215

50

150

195

222

15

130

13.5

RD43

305

80

15.5

80g6

120.5

M8x16

100

60°

15

13

30

195

221

9.5

215

50

150

195

222

15

130

13.5

 
Мотор-редуктор Varvel RD Размеры входного вала
Varvel FRD

Габарит

Размеры

N1

t

S

S1

S2

d2

RD 02 / RD 03

4

12.5

23

15

4

11h6

RD 12 / RD 13

5

16

30

25

2.5

14h6

RD 22 / RD 23

6

21.5

40

30

5

19h6

RD 32 / RD 33

8

27

50

40

5

24h6

RD 42 / RD 43

8

31

60

50

5

28h6

 
Мотор-редуктор Varvel RD Размеры выходного вала
Varvel SRD

Габарит

Размеры

 

S

S1

S2

d

d1

N1

t

RD 02 / RD 03

AU17

35

25

5

Ø 17h6

M6x16

5

19

AU20

40

30

5

Ø 20h6

M6x16

6

22.5

RD 12 / RD 13

AU20

40

30

5

Ø 20h6

M6x16

6

22.5

AU25

50

40

5

Ø 25h6

M6x16

8

28

RD 22 / RD 23

AU25

50

40

5

Ø 25h6

M6x16

8

28

AU30

60

40

10

Ø 30h6

M10x22

8

33

RD 32 / RD 33

AU30

60

40

10

Ø 30h6

M10x22

8

33

AU35

70

50

10

Ø 35h6

M10x22

10

38

RD 42 / RD 43

AU35

70

50

10

Ø 35h6

M10x22

10

38

AU40

80

60

10

Ø 40h6

M12x28

12

43

 
Мотор-редуктор Varvel RD Размеры выходного фланца (B5)
Varvel MRD

Габарит

Размеры

 

D

D1

D2

D3

R

RD 02 / RD 03

DFU120

Ø 120

Ø 100

Ø 90h7

Ø 9 (4)

Ø 100

DFU140

Ø 140

Ø 115

Ø 95h7

Ø 9 (4)

Ø 115

DFU160

Ø 160

Ø 130

Ø 110h7

Ø 9 (4)

Ø 130

RD 12 / RD 13

DFU120

Ø 120

Ø 100

Ø 90h7

Ø 9 (4)

Ø 100

DFU140

Ø 140

Ø 115

Ø 95h7

Ø 9 (4)

Ø 115

DFU160

Ø 160

Ø 130

Ø 110h7

Ø 9 (4)

Ø 130

RD 22 / RD 23

DFU140

Ø 140

Ø 115

Ø 95h7

Ø 9 (4)

Ø 115

DFU160

Ø 160

Ø 130

Ø 110h7

Ø 9 (4)

Ø 130

DFU200

Ø 200

Ø 165

Ø 130h7

Ø 11 (4)

Ø 165

RD 32 / RD 33

DFU160

Ø 160

Ø 130

Ø 110h7

Ø 9 (4)

Ø 135

DFU200

Ø 200

Ø 165

Ø 130h7

Ø 11 (4)

Ø 165

DFU250

Ø 250

Ø 215

Ø 180h7

Ø 13 (4)

Ø 215

RD 42 / RD 43

DFU200

Ø 200

Ø 165

Ø 130h7

Ø 11 (4)

Ø 165

DFU250

Ø 250

Ø 215

Ø 180h7

Ø 13.5 (4)

Ø 215

DFU300

Ø 300

Ø 265

Ø 230h7

Ø 17 (4)

Ø 265

 

 

Технические характеристики

 
0.06 кВт
0.09 кВт
0.12 кВт
0.18 кВт
0.25 кВт
0.37 кВт
0.55 кВт
0.75 кВт
1.1 кВт
1.5 кВт
2.2 кВт
3.0 кВт
4.0 кВт
5.5 кВт
7.5 кВт
 
P1= 0.06 кВт

n1= 1360 об/мин

iн

iд

n2,

об/мин

M2,

Н·м

F.S.

Тип мотор-редуктора

Fr2,

Н

Mасса,

кг

2,5

2,57

529

1,0

>3,5

Varvel RD02

820

5,5

3,15

3,28

415

1,3

>3,5

Varvel RD02

890

5,5

4,0

4,26

319

1,7

>3,5

Varvel RD02

960

5,5

5,0

5,28

258

2,1

>3,5

Varvel RD02

1020

5,5

6,3

6,25

218

2,5

>3,5

Varvel RD02

1100

5,5

8,0

7,98

170

3,2

>3,5

Varvel RD02

1180

5,5

10,0

10,36

131

4,2

>3,5

Varvel RD02

1290

5,5

12,5

12,84

106

5,2

>3,5

Varvel RD02

1370

5,5

16,0

16,32

83

6,6

>3,5

Varvel RD02

1480

5,5

20,0

21,53

63

8,7

>3,5

Varvel RD02

1590

5,5

25,0

26,75

51

10,8

>3,5

Varvel RD02

1590

5,5

31,5

30,22

45

12,2

>3,5

Varvel RD02

1580

5,5

35,5

34,68

39

13,9

>3,5

Varvel RD02

1580

5,5

40

43,07

32

17,4

2,01

Varvel RD02

1560

5,5

40

36,89

37

14,9

3,48

Varvel RD03

1570

5,7

50

48,67

28

19,7

1,83

Varvel RD02

1550

5,5

50

47,07

29

19,0

2,73

Varvel RD03

1560

5,7

63

61,14

22

24,7

2,10

Varvel RD03

1520

5,7

63

61,67

22

25,0

2,81

Varvel RD12

1960

7,0

80

75,78

18

30,7

1,70

Varvel RD03

1480

5,7

80

80,43

17

33

3,07

Varvel RD13

1930

7,2

100

96,29

14

38,9

1,34

Varvel RD03

1400

5,7

100

100,60

14

41

2,45

Varvel RD13

1900

7,2

125

127,05

10,7

51,4

1,01

Varvel RD03

1230

5,7

125

130,84

10,4

53

1,89

Varvel RD13

1820

7,2

160

157,81

8,6

63,8

0,81

Varvel RD03

970

5,7

160

165,08

8,2

67

1,50

Varvel RD13

1710

7,2

180

178,31

7,6

72,1

0,80

Varvel RD03

700

5,7

200

204,58

6,6

45,0

0,80

Varvel RD03

1300

5,7

200

206,46

6,6

84

1,20

Varvel RD13

1530

7,2

250

254,11

5,4

45,0

0,80

Varvel RD03

1300

5,7

250

268,54

5,1

109

0,92

Varvel RD13

1100

7,2

280

287,13

4,7

45,0

0,80

Varvel RD03

1300

5,7

315

324,44

4,2

45,0

0,80

Varvel RD03

1300

5,7

 

P1= 0.09 кВт

n1= 1360 об/мин

iн

iд

n2,

об/мин

M2,

Н·м

F.S.

Тип мотор-редуктора

Fr2,

Н

Mасса,

кг

2,5

2,57

529

1,6

>3,5

Varvel RD02

810

5,6

3,15

3,28

415

2,0

>3,5

Varvel RD02

880

5,6

4,0

4,26

319

2,6

>3,5

Varvel RD02

950

5,6

5,0

5,28

258

3,2

>3,5

Varvel RD02

1010

5,6

6,3

6,25

218

3,8

>3,5

Varvel RD02

1080

5,6

8,0

7,98

170

4,8

>3,5

Varvel RD02

1170

5,6

10,0

10,36

131

6,3

>3,5

Varvel RD02

1270

5,6

12,5

12,84

106

7,8

>3,5

Varvel RD02

1350

5,6

16,0

16,32

83

9,9

>3,5

Varvel RD02

1450

5,6

20,0

21,53

63

13,1

>3,5

Varvel RD02

1570

5,6

25,0

26,75

51

16,2

3,20

Varvel RD02

1570

5,6

31,5

30,22

45

18,3

2,84

Varvel RD02

1560

5,6

35,5

34,68

39

20,9

1,68

Varvel RD02

1540

5,6

40

43,07

32

26,1

1,34

Varvel RD02

1510

5,6

40

36,89

37

22,4

2,32

Varvel RD03

1540

5,8

40

39,08

35

23,7

2,95

Varvel RD12

1940

7,0

50

48,67

28

29,5

1,22

Varvel RD02

1490

5,6

50

47,07

29

28,6

1,82

Varvel RD03

1500

5,8

50

48,12

28

29,2

2,40

Varvel RD12

1940

7,0

50

52,20

26

32

3,12

Varvel RD13

1940

7,2

63

61,14

22

37,1

1,40

Varvel RD03

1420

5,8

63

61,67

22

37

1,88

Varvel RD12

1900

7,1

63

66,03

21

40

2,50

Varvel RD13

1900

7,3

80

75,78

18

46,0

1,13

Varvel RD03

1310

5,8

80

80,43

17

49

2,05

Varvel RD13

1850

7,3

100

96,29

14

58,4

0,89

Varvel RD03

1100

5,8

100

100,60

14

61

1,64

Varvel RD13

1760

7,3

125

130,84

10,4

79

1,26

Varvel RD13

1580

7,3

160

165,08

8,2

100

1,00

Varvel RD13

1280

7,3

200

206,46

6,6

125

0,80

Varvel RD13

1000

7,3

 

P1= 0.12 кВт

n1= 1360 об/мин

iн

iд

n2,
об/мин

M2,
Н·м

F.S.

Тип мотор-редуктора

Fr2,
Н

Mасса,
кг

2,5

2,57

529

2,1

>3,5

Varvel RD02

810

6,8

3,15

3,28

415

2,7

>3,5

Varvel RD02

870

6,8

4,0

4,26

319

3,4

>3,5

Varvel RD02

940

6,8

5,0

5,28

258

4,3

>3,5

Varvel RD02

1000

6,8

6,3

6,25

218

5,1

>3,5

Varvel RD02

1070

6,8

8,0

7,98

170

6,5

>3,5

Varvel RD02

1160

6,8

10,0

10,36

131

8,4

>3,5

Varvel RD02

1250

6,8

12,5

12,84

106

10,4

>3,5

Varvel RD02

1330

6,8

16,0

16,32

83

13,2

>3,5

Varvel RD02

1420

6,8

20,0

21,53

63

17,4

2,93

Varvel RD02

1530

6,8

25,0

26,75

51

21,6

2,40

Varvel RD02

1550

6,8

31,5

30,22

45

24,4

2,13

Varvel RD02

1530

6,8

35,5

34,68

39

27,8

1,26

Varvel RD02

1510

6,8

40

43,07

32

34,8

1,00

Varvel RD02

1450

6,8

40

36,89

37

29,8

1,74

Varvel RD03

1500

7,0

40

39,08

35

32

2,21

Varvel RD12

1910

8,3

40

40,10

34

32

3,05

Varvel RD13

1940

8,4

50

48,67

28

39,4

0,91

Varvel RD02

1410

6,8

50

47,07

29

38,1

1,37

Varvel RD03

1430

7,0

50

48,12

28

39

1,80

Varvel RD12

1910

8,3

50

52,20

26

42

2,34

Varvel RD13

1900

8,4

63

61,14

22

49,5

1,05

Varvel RD03

1300

7,0

63

61,67

22

50

1,41

Varvel RD12

1850

8,4

63

66,03

21

53

1,87

Varvel RD13

1840

8,5

80

75,78

18

61,3

0,85

Varvel RD03

1100

7,0

80

80,43

17

65

1,54

Varvel RD13

1750

8,5

80

81,52

16,7

66

3,03

Varvel RD23

3300

26,3

100

100,60

14

81

1,23

Varvel RD13

1600

8,5

100

105,43

12,9

85

2,34

Varvel RD23

3250

26,6

125

130,84

10,4

106

0,94

Varvel RD13

1270

8,5

125

124,16

11

100

1,99

Varvel RD23

3150

27,2

160

165,08

8,2

134

0,75

Varvel RD13

1100

8,5

160

164,94

8,2

133

1,50

Varvel RD23

2950

32,4

200

209,25

6,5

169

1,18

Varvel RD23

2650

27,2

250

270,63

5

219

0,91

Varvel RD23

1980

33,5

315

318,70

4,3

258

0,78

Varvel RD23

1600

33,6

 

P1= 0.18 кВт

n1= 1370 об/мин

iн

iд

n2,
об/мин

M2,
Н·м

F.S.

Тип мотор-редуктора

Fr2,
Н

Mасса,
кг

2,5

2,57

533

3,1

>3,5

Varvel RD02

800

7,4

3,15

3,28

418

3,9

>3,5

Varvel RD02

860

7,4

4,0

4,26

322

5,1

>3,5

Varvel RD02

920

7,4

5,0

5,28

259

6,4

>3,5

Varvel RD02

980

7,4

6,3

6,25

219

7,5

>3,5

Varvel RD02

1050

7,4

8,0

7,98

172

9,6

>3,5

Varvel RD02

1130

7,4

10,0

10,36

132

12,5

>3,5

Varvel RD02

1210

7,4

12,5

12,84

107

15,5

3,23

Varvel RD02

1280

7,4

16,0

16,32

84

19,7

2,59

Varvel RD02

1360

7,4

20,0

21,53

64

25,9

1,97

Varvel RD02

1460

7,4

25,0

26,75

51

32,2

1,61

Varvel RD02

1480

7,4

25,0

26,52

52

32

2,90

Varvel RD12

1940

8,9

31,5

30,22

45

36,4

1,43

Varvel RD02

1440

7,4

31,5

32,65

42

40

2,38

Varvel RD12

1910

8,9

35,5

34,68

40

41,8

0,84

Varvel RD02

1390

7,4

40

36,89

37

44,4

1,17

Varvel RD03

1370

7,6

40

39,08

35

47

1,48

Varvel RD12

1800

8,9

40

40,10

34

49

2,03

Varvel RD13

1870

9,0

50

47,07

29

56,7

0,92

Varvel RD03

1200

7,6

50

48,12

28

58

1,20

Varvel RD12

1800

8,9

50

52,20

26

63

1,56

Varvel RD13

1770

9,0

50

52,17

26,3

63

3,15

Varvel RD23

3330

34,0

63

61,14

22

73,6

0,80

Varvel RD03

800

7,6

63

61,67

22

75

0,94

Varvel RD12

1670

9,0

63

66,03

21

80

1,25

Varvel RD13

1630

9,1

63

64,26

21,3

78

2,57

Varvel RD23

3280

35,5

80

80,43

17

98

1,02

Varvel RD13

1420

9,1

80

81,52

16,8

99

2,02

Varvel RD23

3190

35,7

100

100,60

14

122

0,82

Varvel RD13

1200

9,1

100

105,43

13

128

1,56

Varvel RD23

3000

26,6

125

124,16

11

151

1,33

Varvel RD23

2850

26,6

160

164,94

8,3

200

1,00

Varvel RD23

2280

26,6

200

209,25

6,5

254

0,79

Varvel RD23

1500

32,1

 

P1= 0.25 кВт

n1= 1370 об/мин

iн

iд

n2,
об/мин

M2,
Н·м

F.S.

Тип мотор-редуктора

Fr2,
Н

Mасса,
кг

2,5

2,57

533

4,3

>3,5

Varvel RD02

780

9,0

3,15

3,28

418

5,5

>3,5

Varvel RD02

840

9,0

4,0

4,26

322

7,1

>3,5

Varvel RD02

900

9,0

5,0

5,28

259

8,8

>3,5

Varvel RD02

960

9,0

6,3

6,25

219

10,5

>3,5

Varvel RD02

1020

9,0

8,0

7,98

172

13,3

>3,5

Varvel RD02

1100

9,0

10,0

10,36

132

17,3

2,88

Varvel RD02

1170

9,0

12,5

12,84

107

21,5

2,33

Varvel RD02

1230

9,0

16,0

16,32

84

27,3

1,87

Varvel RD02

1300

9,0

16,0

16,30

84

27

3,36

Varvel RD12

1960

10,5

20,0

21,53

64

36,0

1,42

Varvel RD02

1370

9,0

20,0

20,39

67

34

2,72

Varvel RD12

1930

10,5

25,0

26,75

51

44,7

1,16

Varvel RD02

1370

9,0

25,0

26,52

52

44

2,12

Varvel RD12

1890

10,5

31,5

32,65

42

54

1,74

Varvel RD12

1840

10,5

40

36,89

37

61,7

0,84

Varvel RD03

1140

9,2

40

39,08

35

65

1,08

Varvel RD12

1630

10,5

40

40,10

34

67

1,49

Varvel RD13

1750

10,6

40

39,39

35

65

2,11

Varvel RD22

3320

13,5

40

40,76

34

68

2,94

Varvel RD23

2000

13,9

50

48,12

28

80

0,88

Varvel RD12

1630

10,5

50

52,20

26

87

1,14

Varvel RD13

1580

10,6

50

50,76

27

84

1,64

Varvel RD22

3250

13,5

50

52,17

26

87

2,30

Varvel RD23

3250

14,0

50

50,73

27

84

3,37

Varvel RD32

7950

19,1

63

66,03

21

110

0,91

Varvel RD13

1260

10,7

63

62,13

22

103

1,35

Varvel RD22

3170

13,6

63

64,26

21

107

1,87

Varvel RD23

3150

14,0

63

63,33

22

105

2,71

Varvel RD32

7850

19,1

80

80,43

17

134

0,75

Varvel RD13

1020

10,7

80

81,52

17

135

1,48

Varvel RD23

2950

14,0

80

76,31

18

127

3,33

Varvel RD33

7800

20,1

100

105,43

13

175

1,14

Varvel RD23

2650

14,0

100

99,54

14

165

2,56

Varvel RD33

7600

20,2

125

124,16

11

206

0,97

Varvel RD23

2250

14,0

125

130,90

10,5

217

1,95

Varvel RD33

7200

20,2

125

128,71

10,6

214

2,95

Varvel RD43

7700

28,2

160

164,94

8,3

274

0,73

Varvel RD23

2000

14,0

160

167,80

8,2

279

1,53

Varvel RD33

6500

20,2

160

157,36

8,7

261

2,42

Varvel RD43

9800

33,8

200

197,50

6,9

328

1,30

Varvel RD33

5900

20,2

200

206,95

6,6

344

1,84

Varvel RD43

9600

33,8

250

257,60

5,3

428

1,00

Varvel RD33

3600

20,3

250

258,38

5,3

429

1,48

Varvel RD43

9100

28,3

315

307,21

4,5

510

0,84

Varvel RD33

2700

20,3

315

318,46

4,3

529

1,20

Varvel RD43

8000

39,6

 

P1= 0.37 кВт

n1= 1380 об/мин

iн

iд

n2,
об/мин

M2,
Н·м

F.S.

Тип мотор-редуктора

Fr2,
Н

Mасса, кг

2,5

2,57

537

6,3

>3,5

Varvel RD02

760

9,4

3,15

3,28

421

8,1

>3,5

Varvel RD02

820

9,4

4,0

4,26

324

10,5

3,44

Varvel RD02

870

9,4

5,0

5,28

261

13,1

2,91

Varvel RD02

920

9,4

6,3

6,25

221

15,4

3,12

Varvel RD02

980

9,4

8,0

7,98

173

19,6

2,50

Varvel RD02

1040

9,4

10,0

10,36

133

25,5

1,96

Varvel RD02

1100

9,4

10,0

10,58

130

26

3,42

Varvel RD12

1960

10,8

12,5

12,84

107

31,6

1,62

Varvel RD02

1140

9,4

12,5

13,38

103

33

2,74

Varvel RD12

1940

10,8

16,0

16,32

85

40,1

1,27

Varvel RD02

1180

9,4

16,0

16,30

85

40

2,27

Varvel RD12

1910

10,9

20,0

21,53

64

52,9

0,96

Varvel RD02

1220

9,4

20,0

20,39

68

50

1,84

Varvel RD12

1860

10,9

25,0

26,75

52

65,7

0,80

Varvel RD02

1020

9,4

25,0

26,52

52

65

1,43

Varvel RD12

1760

10,9

25,0

26,73

52

66

2,85

Varvel RD22

3320

13,8

31,5

32,65

42

80

1,17

Varvel RD12

1630

10,9

31,5

31,48

44

77

2,44

Varvel RD22

3280

13,8

40

39,08

35

96

0,73

Varvel RD12

1630

10,9

40

40,10

34

99

1,00

Varvel RD13

1580

11,0

40

39,39

35

97

1,43

Varvel RD22

3200

13,9

40

40,76

34

100

1,99

Varvel RD23

2000

14,3

40

38,57

36

95

2,99

Varvel RD32

7900

19,5

50

52,20

26

128

0,77

Varvel RD13

1500

11,0

50

50,76

27

125

1,11

Varvel RD22

3040

13,9

50

52,17

26

128

1,56

Varvel RD23

2800

14,4

50

50,73

27

125

2,28

Varvel RD32

7800

19,5

63

62,13

22

153

0,91

Varvel RD22

2820

14,0

63

64,26

21

158

1,27

Varvel RD23

2350

14,4

63

63,33

22

156

1,83

Varvel RD32

7600

19,5

63

64,84

21

159

2,64

Varvel RD33

7600

20,5

80

81,52

17

200

1,00

Varvel RD23

1500

14,4

80

76,31

18

188

2,25

Varvel RD33

7400

20,5

80

82,25

16,8

184

3,41

Varvel RD43

9900

43,4

100

105,43

13

259

0,77

Varvel RD23

1200

14,4

100

99,54

14

245

1,73

Varvel RD33

6900

20,6

100

102,50

13,5

241

2,62

Varvel RD23

9800

43,5

125

130,90

10,5

322

1,32

Varvel RD33

6000

20,6

125

124,13

11,1

316

1,99

Varvel RD43

7700

41,0

160

167,80

8,2

413

1,03

Varvel RD33

4100

20,6

160

160,69

8,6

387

1,64

Varvel RD43

9400

43,7

200

197,50

7

486

0,88

Varvel RD33

3500

20,6

200

207,34

6,7

509

1,25

Varvel RD43

8100

43,8

250

258,38

5,3

635

1,00

Varvel RD43

6000

49,4

315

312,90

4,4

783

0,81

Varvel RD43

5000

43,8

 

P1= 0.55 кВт

n1= 1390 об/мин

iн

iд

n2,
об/мин

M2,
Н·м

F.S.

Тип мотор-редуктора

Fr2,
Н

Mасса,
кг

2,5

2,57

541

9,3

3,22

Varvel RD02

730

11,5

3,15

3,28

424

11,9

2,78

Varvel RD02

780

11,5

4,0

4,26

326

15,4

2,33

Varvel RD02

820

11,5

4,0

4,01

347

14,7

3,39

Varvel RD12

1889

13,3

5,0

5,28

263

19,3

1,97

Varvel RD02

870

11,5

5,0

5,07

274

18,5

2,85

Varvel RD12

1980

13,3

6,3

6,25

222

22,7

2,12

Varvel RD02

910

11,5

8,0

7,98

174

28,9

1,69

Varvel RD02

960

11,5

8,0

8,13

171

30

2,96

Varvel RD12

1950

13,4

10,0

10,36

134

37,6

1,33

Varvel RD02

980

11,5

10,0

10,58

131

39

2,30

Varvel RD12

1920

13,4

12,5

12,84

108

46,6

1,07

Varvel RD02

1010

11,5

12,5

13,38

104

49

1,84

Varvel RD12

1870

13,4

16,0

16,32

85

59,2

0,86

Varvel RD02

1010

11,5

16,0

16,30

85

60

1,53

Varvel RD12

1800

13,5

16,0

16,29

85

60

3,07

Varvel RD22

3253

16,4

20,0

20,39

68

75

1,23

Varvel RD12

1660

13,5

20,0

20,67

67

76

2,45

Varvel RD22

3290

16,4

25,0

26,52

52

97

0,96

Varvel RD12

1430

13,5

25,0

26,73

52

98

1,92

Varvel RD22

3200

16,4

31,5

32,65

43

119

0,79

Varvel RD12

1020

13,5

31,5

31,48

44

115

1,64

Varvel RD22

3100

16,4

31,5

33,21

42

121

3,30

Varvel RD32

7800

21,8

40

39,39

35

144

0,96

Varvel RD22

2900

16,5

40

40,76

34

149

1,34

Varvel RD23

1870

16,9

40

38,57

36

141

2,01

Varvel RD32

7700

22,1

40

41,54

33

152

2,66

Varvel RD42

10700

28,8

40

38,06

37

139

3,01

Varvel RD33

1940

23,0

50

50,76

27

186

0,75

Varvel RD22

2700

16,5

50

52,17

27

191

1,5

Varvel RD23

2450

17,0

50

50,73

27

185

1,53

Varvel RD32

7400

22,1

50

50,30

28

184

2,20

Varvel RD42

10600

28,8

50

48,77

29

178

2,36

Varvel RD33

7500

23,0

63

64,26

22

235

0,85

Varvel RD23

1800

17,0

63

63,33

22

231

1,23

Varvel RD32

7000

22,1

63

62,96

22

230

1,76

Varvel RD42

10300

28,9

63

64,84

21

237

1,78

Varvel RD33

7000

23,1

63

63,75

21,8

233

2,69

Varvel RD43

9800

30,0

80

76,31

18

279

1,51

Varvel RD33

6500

23,1

80

82,25

16,9

274

2,29

Varvel RD43

9700

30,1

100

99,54

14

364

1,16

Varvel RD33

5200

23,2

100

102,50

13,6

358

1,76

Varvel RD43

9500

30,3

125

130,90

10,6

478

0,89

Varvel RD33

4200

23,2

125

124,13

11,2

470

1,34

Varvel RD43

7200

30,4

160

160,69

8,7

575

1,10

Varvel RD43

7000

30,2

200

207,34

6,7

756

0,84

Varvel RD43

9000

30,3

 

P1= 0.75 кВт

n1= 1390 об/мин

iн

iд

n2,
об/мин

M2,
Н·м

F.S.

Тип мотор-редуктора

Fr2,
Н

Mасса,
кг

2,5

2,57

541

12,7

2,36

Varvel RD02

700

12,8

2,5

2,53

549

12,6

3,39

Varvel RD12

1680

14,6

3,15

3,28

424

16,2

2,04

Varvel RD02

730

12,8

3,15

3,08

451

15,3

2,99

Varvel RD12

1713

14,6

4,0

4,26

326

21,1

1,71

Varvel RD02

760

12,8

4,0

4,01

347

19,9

2,50

Varvel RD12

1842

14,6

5,0

5,28

263

26,1

1,46

Varvel RD02

810

12,8

5,0

5,07

274

25

2,10

Varvel RD12

1958

14,6

6,3

6,25

222

30,9

1,55

Varvel RD12

840

12,8

6,3

6,69

208

33

2,62

Varvel RD12

1940

14,7

8,0

7,98

174

39,5

1,24

Varvel RD02

860

12,8

8,0

8,13

171

40

2,18

Varvel RD12

1910

14,7

10,0

10,36

134

51,3

0,98

Varvel RD02

860

12,8

10,0

10,58

131

53

1,69

Varvel RD12

1850

14,7

12,5

12,84

108

63,5

0,80

Varvel RD02

850

12,8

12,5

13,38

104

66

1,36

Varvel RD12

1750

14,7

12,5

13,23

105

66

2,76

Varvel RD22

2970

17,6

16,0

16,30

85

81

1,12

Varvel RD12

1620

14,8

16,0

16,29

85

81

2,26

Varvel RD22

3120

17,7

20,0

20,39

68

101

0,91

Varvel RD12

1360

14,8

20,0

20,67

67

103

1,80

Varvel RD22

3170

17,7

25,0

26,52

52

132

0,71

Varvel RD12

1380

14,8

25,0

26,73

52

133

1,41

Varvel RD22

2980

17,7

25,0

25,26

55

125

3,15

Varvel RD32

7550

23,1

31,5

31,48

44

156

1,21

Varvel RD22

2790

17,7

31,5

33,21

42

165

2,43

Varvel RD32

7350

23,1

40

39,39

35

196

0,71

Varvel RD22

2600

17,8

40

40,76

34

202

0,98

Varvel RD23

1750

18,2

40

38,57

36

192

1,48

Varvel RD32

6800

23,4

40

41,54

33

206

1,96

Varvel RD42

10480

30,1

40

38,06

37

189

2,22

Varvel RD33

5000

24,3

40

37,42

37,1

186

3,36

Varvel RD43

9900

31,2

50

52,17

27

259

0,77

Varvel RD23

1500

18,3

50

50,73

27

252

1,13

Varvel RD32

5950

23,4

50

50,30

28

250

1,62

Varvel RD42

9500

30,1

50

48,77

29

242

1,74

Varvel RD33

6900

24,3

50

47,95

29

238

2,63

Varvel RD43

9800

31,2

63

63,33

21,9

315

0,91

Varvel RD32

5000

23,4

63

62,96

22

313

1,30

Varvel RD42

8500

30,2

63

64,84

21

322

1,31

Varvel RD33

5900

24,4

63

63,75

21,8

317

1,98

Varvel RD43

9700

31,3

80

76,31

18

379

1,11

Varvel RD33

4900

24,4

80

75,03

18,5

373

1,69

Varvel RD43

9200

31,4

100

99,54

14

494

0,86

Varvel RD33

3500

24,5

100

97,86

14,2

486

1,30

Varvel RD43

8100

31,6

125

124,13

11,2

639

0,99

Varvel RD43

6000

31,7

160

160,69

8,7

781

0,81

Varvel RD43

5000

31,5

 

P1= 1.1 кВт

n1= 1400 об/мин

iн

iд

n2,
об/мин

M2,
Н·м

F.S.

Тип мотор-редуктора

Fr2,
Н

Mасса,
кг

2,5

2,53

553

18,4

2,34

Varvel RD12

1569

16,8

3,15

3,08

455

22,4

2,05

Varvel RD12

1650

16,8

4,0

4,01

349

29

1,71

Varvel RD12

1761

16,8

5,0

5,07

276

37

1,43

Varvel RD12

1855

16,8

5,0

5,01

279

36

2,89

Varvel RD22

2160

19,6

6,3

6,69

209

49

1,79

Varvel RD12

1870

16,9

8,0

8,13

172

59

1,49

Varvel RD12

1800

16,9

8,

8,27

169

60

2,95

Varvel RD22

2510

19,8

10,0

10,58

132

77

1,16

Varvel RD12

1660

16,9

10,0

10,33

136

75

2,39

Varvel RD22

2650

19,8

12,5

13,38

105

97

0,93

Varvel RD12

1420

16,9

12,5

13,23

106

96

1,89

Varvel RD22

2790

19,8

16,0

16,30

86

118

0,77

Varvel RD12

1030

17,0

16,0

16,29

86

118

1,55

Varvel RD22

2900

19,9

16,0

16,45

85

119

3,24

Varvel RD32

6290

25,2

20,0

20,67

68

150

1,23

Varvel RD22

2850

19,9

20,0

19,36

72

141

2,77

Varvel RD32

6560

25,2

25,0

26,73

52

194

0,97

Varvel RD22

2380

19,9

25,0

25,26

55

183

2,15

Varvel RD32

7020

25,3

25,0

24,48

57

178

3,30

Varvel RD42

8820

31,9

31,5

31,48

44

228

0,83

Varvel RD22

1820

19,9

31,5

33,21

42

241

1,66

Varvel RD32

6900

25,3

31,5

29,64

47

215

2,75

Varvel RD42

9290

31,9

40

38,57

36

280

1,01

Varvel RD32

6470

25,6

40

41,54

34

301

1,34

Varvel RD42

9860

32,3

40

38,06

37

276

1,52

Varvel RD33

3800

26,5

40

41,88

33,4

272

2,30

Varvel RD43

9700

33,4

50

50,73

28

368

0,77

Varvel RD32

5800

25,6

50

50,30

28

365

1,11

Varvel RD42

9310

32,3

50

48,77

29

354

1,19

Varvel RD33

5400

26,5

50

51,08

27,4

348

1,80

Varvel RD43

9500

33,4

63

62,96

22

457

0,89

Varvel RD42

8200

32,4

63

64,84

22

471

0,90

Varvel RD33

4000

26,6

63

63,75

22

463

1,36

Varvel RD43

8700

33,5

80

76,31

18

554

0,76

Varvel RD33

3000

26,6

80

82,25

17

545

1,16

Varvel RD43

6700

33,6

100

102,50

13,7

710

0,89

Varvel RD43

5500

33,8

 

P1= 1.5 кВт

n1= 1400 об/мин

iн

iд

n2,
об/мин

M2,
Н·м

F.S.

Тип мотор-редуктора

Fr2,
Н

Mасса,
кг

2,5

2,55

549

25

3,42

Varvel RD22

1950

21,1

3,15

3,13

447

31

2,99

Varvel RD22

1840

21,1

4,0

3,92

357

38

2,56

Varvel RD22

1950

21,1

5,0

5,01

279

49

2,14

Varvel RD22

2060

21,1

6,3

6,72

208

66

2,65

Varvel RD22

2280

21,1

8,0

8,27

169

81

2,18

Varvel RD22

2380

21,3

10,0

10,33

136

102

1,76

Varvel RD22

2490

21,3

12,5

13,23

106

130

1,39

Varvel RD22

2580

21,3

12,5

12,38

113

122

3,13

Varvel RD32

5500

26,6

16,0

16,29

86

160

1,14

Varvel RD22

2650

21,4

16,0

16,45

85

162

2,39

Varvel RD32

6080

26,7

20,0

20,67

68

203

0,91

Varvel RD22

2230

21,4

20,0

19,36

72

190

2,05

Varvel RD32

6310

26,7

20,0

19,64

71

193

3,01

Varvel RD42

8050

33,3

25,0

26,73

52

263

0,71

Varvel RD22

2100

21,4

25,0

25,26

55

248

1,59

Varvel RD32

6705

26,8

25,0

24,48

57

241

2,44

Varvel RD42

8510

33,4

31,5

33,21

42

326

1,23

Varvel RD32

5700

26,8

31,5

29,64

47

291

2,03

Varvel RD42

8920

33,4

40

38,57

36

379

0,75

Varvel RD32

5000

27,1

40

41,54

34

408

0,99

Varvel RD42

8830

33,8

40

38,06

37

374

1,12

Varvel RD33

3000

28,0

40

41,88

33,4

368

1,70

Varvel RD43

9200

34,9

50

50,30

28

494

0,82

Varvel RD42

7850

33,8

50

48,77

29

479

0,88

Varvel RD33

4500

28,0

50

51,08

27,4

471

1,33

Varvel RD43

8100

34,9

63

63,75

22

626

1,00

Varvel RD43

6000

35,0

80

82,25

17

737

0,85

Varvel RD43

6100

35,1

 

P1= 2.2 кВт

n1= 1410 об/мин

iн

iд

n2,
об/мин

M2,
Н·м

F.S.

Тип мотор-редуктора

Fr2,
Н

Mасса,
кг

2,5

2,55

553

36

2,36

Varvel RD22

1670

26,6

3,15

3,13

450

45

2,07

Varvel RD22

1740

26,6

4,0

3,92

360

56

1,77

Varvel RD22

1820

26,6

5,0

5,01

281

71

1,48

Varvel RD22

1890

26,6

5,0

5,33

265

76

3,10

Varvel RD32

4250

32,6

6,3

6,72

210

95

1,83

Varvel RD22

2100

26,6

8,0

8,27

170

117

1,51

Varvel RD22

2160

26,8

8,0

7,72

183

110

3,39

Varvel RD32

4800

32,8

10,0

10,33

136

147

1,22

Varvel RD22

2200

26,8

10,0

9,66

146

137

2,74

Varvel RD32

5050

32,9

12,5

13,23

107

188

0,96

Varvel RD22

2220

26,8

12,5

12,38

114

176

2,17

Varvel RD32

5360

32,9

12,5

12,20

116

173

3,27

Varvel RD42

6800

39,5

16,0

16,29

87

231

0,79

Varvel RD22

1650

26,9

16,0

16,45

86

234

1,65

Varvel RD32

5710

33,0

16,0

15,22

93

216

2,65

Varvel RD42

7180

39,6

20,0

19,36

73

275

1,42

Varvel RD32

5890

33,0

20,0

19,64

72

279

2,08

Varvel RD42

7620

39,7

25,0

25,26

56

359

1,10

Varvel RD32

5000

33,1

25,0

24,48

58

348

1,69

Varvel RD42

7990

39,8

31,5

33,21

42

472

0,85

Varvel RD32

4200

33,1

31,5

29,64

48

421

1,41

Varvel RD42

8290

39,8

40

41,88

33,7

532

1,17

Varvel RD43

6800

41,2

50

51,08

27,6

681

0,92

Varvel RD43

5500

41,2

 

P1= 3.0 кВт

n1= 1420 об/мин

iн

iд

n2,
об/мин

M2,
Н·м

F.S.

Тип мотор-редуктора

Fr2,
Н

Mасса,
кг

2,5

2,55

557

49

1,75

Varvel RD22

1570

28,6

3,15

3,13

454

60

1,53

Varvel RD22

1620

28,6

3,15

3,32

428

64

3,21

Varvel RD32

3630

34,5

4,0

3,92

362

75

1,31

Varvel RD22

1660

28,6

4,0

4,16

341

80

2,75

Varvel RD32

3850

34,6

5,0

5,01

283

96

1,09

Varvel RD22

1700

28,6

5,0

5,33

266

103

2,29

Varvel RD32

4080

34,6

6,3

6,72

211

129

1,35

Varvel RD22

1890

28,6

6,3

6,26

227

120

3,06

Varvel RD32

4360

32,1

8,0

8,27

172

159

1,11

Varvel RD22

1900

28,8

8,0

7,72

184

148

2,51

Varvel RD32

4580

34,8

10,0

10,33

137

199

0,90

Varvel RD22

1880

28,8

10,0

9,66

147

186

2,03

Varvel RD32

4800

34,9

10,0

10,00

142

192

2,91

Varvel RD42

6200

41,4

12,5

13,23

107

254

0,71

Varvel RD22

1600

28,8

12,5

12,38

115

238

1,60

Varvel RD32

5040

34,9

12,5

12,20

116

235

2,41

Varvel RD42

6500

41,5

16,0

16,45

86

317

1,22

Varvel RD32

5300

35,0

16,0

15,22

93

293

1,96

Varvel RD42

6810

41,6

20,0

19,36

73

373

1,05

Varvel RD32

4500

35,0

20,0

19,64

72

378

1,53

Varvel RD42

7150

41,7

25,0

25,26

56

486

0,81

Varvel RD32

4000

35,1

25,0

24,48

58

471

1,25

Varvel RD42

7400

41,8

31,5

29,64

47,9

570

1,04

Varvel RD42

6110

41,8

40

41,88

34

720

0,87

Varvel RD43

5800

43,2

 

P1= 4.0 кВт

n1= 1425 об/мин

iн

iд

n2,
об/мин

M2,
Н·м

F.S.

Тип мотор-редуктора

Fr2,
Н

Mасса,
кг

2,5

2,70

528

69

2,74

Varvel RD32

3330

36,5

3,15

3,32

429

86

2,40

Varvel RD32

3500

42,5

4,0

4,16

343

107

2,05

Varvel RD32

3690

42,6

4,0

3,96

360

102

3,38

Varvel RD42

4000

48,8

5,0

5,33

267

137

1,71

Varvel RD32

3880

42,6

5,0

4,83

295

124

2,92

Varvel RD42

4850

48,8

6,3

6,26

228

161

2,29

Varvel RD32

4160

40,1

6,3

6,29

227

162

3,39

Varvel RD42

5340

49,3

8,0

7,72

185

199

1,87

Varvel RD32

4330

42,8

8,0

7,86

181

202

2,74

Varvel RD42

5620

49,3

10,0

9,66

148

249

1,51

Varvel RD32

4500

42,9

10,0

10,00

143

257

2,18

Varvel RD42

5920

49,4

12,5

12,38

115

319

1,20

Varvel RD32

4650

42,9

12,5

12,20

117

314

1,80

Varvel RD42

6150

49,5

16,0

16,45

87

424

0,91

Varvel RD32

2900

43,0

16,0

15,22

94

392

1,46

Varvel RD42

6380

49,6

20,0

19,36

74

498

0,78

Varvel RD32

2500

43,0

20,0

19,64

73

506

1,15

Varvel RD42

6590

49,7

25,0

24,48

58

630

0,93

Varvel RD42

4290

49,8

31,5

29,64

48

763

0,78

Varvel RD42

4000

49,8

 

P1= 5.5 кВт

n1= 1440 об/мин

iн

iд

n2,
об/мин

M2,
Н·м

F.S.

Тип мотор-редуктора

Fr2,
Н

Mасса,
кг

2,5

2,49

578

87

3,38

Varvel RD42

3950

58,0

3,15

3,11

463

109

2,94

Varvel RD42

4167

58,0

4,0

3,96

364

139

2,49

Varvel RD42

4400

58,1

5,0

4,83

298

169

2,15

Varvel RD42

4580

58,1

6,3

6,29

229

220

2,49

Varvel RD42

5050

58,6

8,0

7,86

183

275

2,01

Varvel RD42

5270

58,6

10,0

10,00

144

350

1,60

Varvel RD42

5480

58,7

12,5

12,20

118

427

1,33

Varvel RD42

5610

58,8

16,0

15,22

95

533

1,07

Varvel RD42

5710

58,9

20,0

19,64

73

688

0,84

Varvel RD42

5260

59,0

 

P1= 7.5 кВт

n1= 1440 об/мин

iн

iд

n2,

об/мин

M2,

Н·м

F.S.

Тип мотор-редуктора

Fr2,

Н

Mасса,

кг

2,5

2,49

578

118

2,50

Varvel RD42

3760

75,0

3,2

3,11

463

148

2,17

Varvel RD42

3940

75,0

4,0

3,96

364

188

1,84

Varvel RD42

4110

75,1

5,0

4,83

298

229

1,58

Varvel RD42

4230

75,1

6,3

6,29

229

298

1,84

Varvel RD42

4690

75,6

8,0

7,86

183

373

1,49

Varvel RD42

4820

75,6

10,0

10,00

144

474

1,18

Varvel RD42

4900

75,7

12,5

12,20

118

579

0,98

Varvel RD42

4590

75,8

16,0

15,22

95

722

0,79

Varvel RD42

5100

75,9

 

 
 
 

Варианты установки

Цилиндрический соосный мотор-редуктор Varvel RD           Цилиндрический соосный мотор-редуктор Varvel RD

 

 

 

 

Приводная техника (мотор-редукторы, преобразователи частоты и устройства плавного пуска) отправляется покупателю транспортной компанией. По всем вопросам обращаться в офис.


Мы всегда рады видеть у себя наших старых партнеров и ждем новых.

Доставка во все регионы России!